Removal
Remove the air cleaner.
Remove the intake manifold chamber.
Disconnect the following engine wire harness connectors, and remove the wire harness clamps from the cylinder head:
Four injector connectors
ECT sensor 1 connector
CMP sensor connector
A/F sensor connector
Secondary HO2S connector
Remove the harness holder mounting bolt and the ground cable, then remove the harness holder from the bracket.
Remove the cylinder head cover.
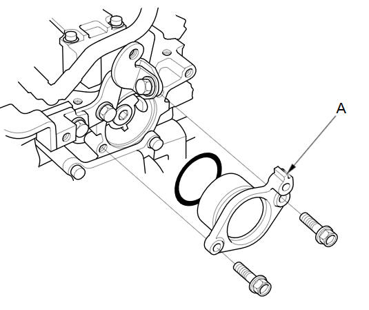
Remove the camshaft thrust cover (A).
Hold the camshaft with an open-end wrench, then loosen the bolt.

Remove the CMP pulse plate (A).

Installation
Install the CMP pulse plate (A).

Hold the camshaft with an open-end wrench, then tighten the bolt.
|
Specified Torque |
|
14 x 1.5 mm |
|
34 NВ·m (3.5 kgfВ·m, 25 lbfВ·ft) |

Install the camshaft thrust cover (A) with a new O-ring (B).

Install the cylinder head cover.
Install the harness holder, then install the ground cable.
Connect the following engine wire harness connectors, and install the wire harness clamps from the cylinder head:
Four injector connectors
ECT sensor 1 connector
CMP sensor connector
A/F sensor connector
Secondary HO2S connector
Install the intake manifold chamber.
Install the air cleaner.
Safety Labels
These labels are in the locations shown. They warn you of potential hazards that
could cause serious injury or death. Read these labels carefully.
If a label comes off or becomes hard to read (exce ...
Taking a Detour
DEST button (when en route)
►Detour
Calculate a detour route manually. The system attempts to calculate a new
route by
avoiding the next 5 miles (while on a freeway) or 1 mile (while on a ...
Taillight Replacement
Open the tailgate and remove the maintenance lid.
Disconnect the connectors (A) from the taillights (B).
@font-face{font-family:
"Honda_SymbolMar ...